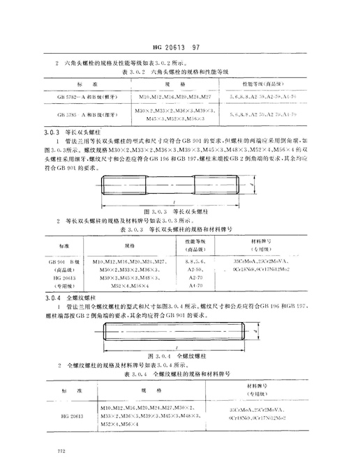
石油、化工、电厂专用35CrMoA全螺纹螺柱











产 品 说 明
我公司主要产品有:
● 汽轮机螺栓、罩螺母、高温高压螺栓、特制双头螺栓、高强度双头螺栓,单头螺栓,35#钢,45#钢,40Cr、35CrMoA、30CrMoA、42CrMo 、25Cr2MoVA、25Cr2Mo1V、A193-B7、A320-L7、20Cr1Mo1VNbTiB。
● 8级,10级,12级高强度细扣螺母,35CrMoA螺母规格齐全(HG/T20613、HG/T20634、SH3404、NB/T47027、GB6175、GB6170、GB6172),加厚螺母,薄螺母,六角螺母、异型母、A194-2H美制螺母、25Cr2MoVA螺母。
● 8.8、10.9、12.9级高强度细扣螺栓、双头螺栓、地脚螺栓、汽车专用螺栓、。
● 风电螺栓、喝点螺栓、石化螺丝,化工螺丝,矿用螺丝,管道螺丝,高速公路护栏丝,铁路配件,电力配件,车船螺丝,防盗螺丝
★ ★ 订做各种高精度异型件 ★ ★
“按时提供高质量和满意的产品”是我们的质量方针,“跟踪顾客先进水平”是我们的质量目标。好的产品意味着持续的发展,不断的进取。我们将不断研究、创新,向更高的目标努力,以优质的产品、良好的服务回报社会。

微信公众号
0523-88697868